镍金属氢化物(NiMH)电池的生产厂商很多,充电速率各不相同。另外,随着重复使用,NiMH电池的最大充电量以不同的速度减小。因此,很难测定这些电池的可用寿命和充电容量。为测量NiMH电池的性能,设计了一种多通道电池放电装置,该装置包括有一个Windows Hyperterminal串行接口,由接口自身供电,所以,不需要外部电源。
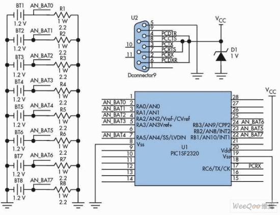
MICROCHIP公司的PIC18F2320微控制器控制该测试仪。该MCU有一个在整个工作范围内的容差为1%的8MHz内部振荡器。这样,不需外接晶体就可使UART波特率位于误差范围内。该器件也提供有10通道10位模/数转换器,该应用中使用了其中8个。用8个2.2Ω、1W的电阻测试电池的放电情况,测试电流约500mA,该放电速率下电池完全放电约需2~4小时(见图1)。通过串口的RTS引脚对测试仪供电,采用5.1V齐纳二极管来保证参考电压为恒值。将RTS和CTS短接,DTR与DSR也同样短接。

当电池?插入测试仪的任何一个通道时,该通道的定时器被初始化。只要任何一个通道的输入电压大于0.9V,则所有通道的定时器都通过Hypertermina显示更新,每3秒一次。当通道的输入电压降至0.9V阈值以下时,该通道的定时器值将停止增加。因此,一旦所有的电池电压都低于阈值,定时器值将停止显示。如果每个通道的电压都低于0.05V(即测试仪内没有电池时),则每个通道的定时器将被复位。定时器显示格式为:时:分:秒。

测试仪输出数据用串口的设置为:9600波特、8位、1位停止位,无校验位。没有数据流控制。Windows Hypertermina应设置为该配置。此外,选项“在输入行末附加跳行(append line feeds on incoming line ends)”必须通过Properties(特性)=>Settings(设置)=>ASCII Setup(ASCII设置)激活。图2是Hyperterminal的样本测试结果的屏幕截图。8节电池放电至0.9V需要1~3小时,并非所有电池都完全充满。
切换行业

![[建设项目环境影响评价审批]嘉兴市生态环境局对年产30000吨新能源汽车电子连接器技改项目环评文件作出审批决定的公告](https://img.in-en.com/upload/202507/24/11535440278993.jpg)

正在加载...

